A talajhő az épület hőszigetelésére is alkalmas

A talajban pár méter mélységben tárolt napenergiát az aktív hőszigetelésű épületszerkezet egész évben alacsony hőmérsékleten, átalakítás nélkül képes hasznosítani. Az Isoactive innovatív műszaki megoldás ezt az energiát az épülethatároló szerkezet olyan rétegében hasznosítja, ahol csökkenti az épület téli hőveszteségét és nyári túlmelegedését. Ezzel a módszerrel energia- és költséghatékonyan készülhetnek közel nulla energiaigényű épületek.
A hagyományos eljárásoktól eltérően az aktív hőszigetelésű épület a talaj hőmérsékletét hőszigetelésre használja a ház falát körülölelő csőkígyó segítségével, mely össze van kapcsolva a talaj felszíne alatt elhelyezett csőkígyóval (talajhő akkumulátorral), azzal egy áramlási kört alkotva, és ebben a zárt rendszerben a hőátadó folyadékot kis energiaigényű szivattyúval áramoltatja. A rendszer működése következtében a ház hővesztesége a külső hőmérséklettől függetlenül alacsony, közel állandó szinten marad Az aktív hőszigetelés a természet változásaival harmonikusan együttműködő, önszabályzó, alacsony hőmérsékletű, csekély geotermális megújuló energiát hasznosító decentralizált fűtési/hűtési rendszer.

Mivel a talajban lévő csőkígyó rétegében igen kis határok között változik a hőmérséklet (+13 és +23°C), ezért a belső tér hővesztesége a külső hőmérséklettől függetlenül csak a belső tér és az aktív hőszigetelő réteg hőmérsékletétől függ az adott falvastagságon át. A falban lévő csőkígyó két részre osztja a falszerkezetet. A fal külső rétegének hőveszteségét az alacsony hőmérsékletű talajhő pótolja (tehát a rendszer télen nem a belső térből, hanem a talaj alacsony hőmérsékletű hőmennyiségével fűti az udvart, valamint nyáron a rendszer nem engedi a belső térbe a külső hőterhelést).
A Nap hőenergiájának komplex hasznosítása
Az aktív hőszigetelés az épületenergetika elemeinek olyan összekapcsolását és működését teszi lehetővé, amelyek együttesen, egymás hatásainak kumulációjával hatékonyabban tudnak működni, mint külön-külön.

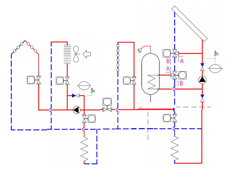
Hidraulikus kapcsolási séma a napenergia komplex hasznosítására
A rendszer elemei:
- napkollektor+ HMV (használati meleg víz tárolóval);
- megosztott talajhő akkumulátor (az épület alatt és mellett);
- aktív hőszigetelés az épület külső határoló szerkezetében;
- hőcserélős szellőztető berendezés a levegő előfűtésének/előhűtésének lehetőségével;
- passzív felületi hűtés/fűtés (mennyezethűtés).
Az aktív hőszigetelés energetikai hatékonysága:

Ha megvizsgáljuk a befektetett villamos energiát a kapott/megtakarított hőenergiához képest (kWh/kWh), akkor az aktív hőszigetelés 7,5-szer energiahatékonyabb, mint a hőszivattyú. Ezt a hatékonyságot azzal tudjuk elérni, hogy a megújuló energiával felmelegített alacsony hőmérsékletű közeg hőmérsékletét nem akarjuk felemelni, hanem megkerestük az épület külső határoló rétegében azt a helyet, ahol a viszonylag alacsony hőmérséklet ellenére is hatékonyan tudjuk kihasználni a Nap és a Föld megújuló energiáját úgy, hogy csak a keringtető szivattyú minimális villamos energiájára van szükségünk.

A rendszer előnyei:
- lehetőséget teremt a megújuló energiával felmelegített alacsony hőmérsékletű közeg (+ 10°C feletti) effektív hasznosítására;
- helyben tudja tárolni a Nap hőenergiáját;
- magas hatékonysággal tudja tárolni a talajban a hőenergiát;
- lehetőséget nyújt a napenergia komplex hasznosítására;
- a fűtési időszak körülbelül 30 nappal lerövidül;
- több mint 30%-kal csökkenti az épület hőveszteségét;
- lényegesen kisebb szerkezeti vastagság mellett tudja biztosítani a határolószerkezet megkívánt hőszigetelési tényezőjét;
- körülbelül 25%-kal képes növeli a napkollektor hatásfokát;
- az épület energiaigényének több mint 25%-át biztosítja a helyben begyűjtött és tárolt megújuló energiából;
- az aktív hőszigetelés lehetővé teszi az épület passzív hűtését nyáron;
- az aktív hőszigetelés lehetővé teszi a szellőztető levegő előhűtését, előfűtését;
- az épület megkapja a talaj hatalmas hőtehetetlenségét;
- ez a több mint 9 éve bevezetett innovatív műszaki megoldás mérési eredményekkel igazolta létjogosultságát;
- ideálisan alkalmazható a közel nulla energiaigényű épületeknél;
- az aktív hőszigeteléssel ellátott épület segít a természet egyensúlyának fenntartásában.

Az aktív hőszigetelés által elért megtakarítást a piros és sárga vonal közötti terület ábrázolja.
Az aktív hőszigetelés alkalmazásának előnyei:
- csak 4-5%-kal növeli a beruházás költségét;
- az élettartama során 6-8 szorosan megtérül a beruházási többletköltség;
- támogatást többnyire csak a beruházásokhoz lehet kapni, az üzemeltetéshez általában nem – tehát érdemes olyan beruházást támogatni, ami csökkenti az üzemeltetési költséget;
- az aktív hőszigetelési megoldás önmagában teljesíti az elvárt minimális (25%) megújuló energia hasznosítás mértékét;
- lehetővé teszi a napenergia optimális kihasználását;
- lehetővé teszi a passzív hűtést;
- új és meglévő épületeknél egyaránt alkalmazható.

Az épületenergetikai berendezések automatikus vezérlő- és monitoringegysége

