Azbesztcement hullámlemezfedés hibái

Bár nem tartozik a legkorszerűbb technológiák közé, országszerte még számos hullámlemez fedésű – általában gazdasági célú – épületet láthatunk; ezért is érdemes egy ilyen szerkezet hibáival kapcsolatos szakértői vizsgálat tanulságait felidéznünk. Egy alföldi kistelepülésen található épületről szóló esettanulmányt ismertetünk.
A tetőfedéssel kapcsolatos hibás teljesítés kapcsán kialakuló jogvitában a szakértői bizonyítás során arra kellett választ adni, hogy milyen az elkészült kiviteli munka minősége, figyelembe véve a beépített anyag minőségét is, tekintettel arra, hogy azt a megrendelő bocsátotta a kivitelező rendelkezésére. Meg kellett továbbá állapítani a kiviteli munka reális értékét, és hogy mennyi a kijavítási költség.
A megrendelő csak a szerződést és az építési engedélyezési tervdokumentáció alaprajzát, metszetét, valamint homlokzatát és műszaki leírását tudta szolgáltatni a vizsgálatokhoz.
Az épület mezőgazdasági rendeltetésű, magtárként üzemel, egy alföldi kistelepülésen áll magántulajdonként, családi házas, gazdasági épületes, kertes beépítésű belterületi fekvésű környezetben.

A magtár (tető)alaprajza és metszete
A komfort nélküli magtárépület nettó területe 263,29 m2, gabonatárolásra használt földszinti szinttel, 3,32 m belmagassággal. Az épület beton pont- és sávalapokkal készült, csak a fal alatti talajnedvesség elleni szigeteléssel. A függőleges teherhordó szerkezet 15/15 cm méretű fenyőfa oszlopokból, az ÉNY-i , valamint a KNY-i oldal egy részén megépített 15 cm vastag falazott kisméretű vakolt, meszelt téglafalból áll. A tetőszerkezet fűrészelt fenyőfa aszimmetrikus összetett nyeregfedél, 15/15 cm oszlopokkal, 15/15 cm talp- (2 db), derék-, és taréjszelemennel, 15/10 cm ferde dúccal, 2x10/15 cm fogópárokkal, 15/10 cm könyökfákkal, 10/15 cm szarufákkal és 6/5,5 cm tetőlécezéssel. A héjalás – mely a vizsgálat tárgyát képezte – 30° alatti, 1600/1097 mm-es szürke, normál 6 mm vastag azbesztcement hullámlemezből készült, csavaros rögzítéssel. Bádogosmunkaként alumínium lemez vápa- és élfedés készült. A kész épületet – mely közepes esztétikai állapotú – betonburkolattal és fénycsöves, armatúrás világítással látták el.

A magtár nézete D felől
A metodikai koncepció meghatározása szerint „a szükséges és elégséges vizsgálatok végzése után" az alábbiakat állapítottuk meg.

A magtár részletnézete ÉK felől
A helyszíni szemlén mindkét fél egybehangzóan adta elő, hogy a kivitelezőnek nincs iparengedélye, vállalkozói igazolványa, ezért kontármunkát végzett, és számlát sem adott. A megrendelőnek ez az elszámolásnál jutott tudomására. Az anyagot a megrendelő vásárolta meg és bocsátotta a kivitelező rendelkezésére, a munkadíjat is – amit kivitelező határozott meg –készpénzben kifizette. A munka egyébként határidőre elkészült. Az oszlopközök kifalazása a tetőfedés készítését követően történt, a kivitelező szerint két héttel, a megrendelő szerint egy héttel. A hibás teljesítés kijavítására a megrendelő ügyvédje felszólító levelet küldött kivitelezőnek. A felszólító levélre a kivitelező válaszolt, és – a munka szakszerűségére hivatkozva – a hibás teljesítést nem ismerte el, a megrendelői kárt nem volt hajlandó megfizetni. Egyszeri javítást – amiért külön díjat kívánt felszámítani – ténylegesen nem végzett, mely tényt mindkét fél megerősítette szóbeli előadásával. A megrendelő még előadta, hogy más kivitelezővel nem javíttatott, azaz a helyszíni szemlén az eredetileg kivitelezett állapotot volt lehetséges vizsgálni.

A magtár fa fedélszékének és tetőfedésének belső nézete

Hullámpalafedés sarokrészlete
A tetőfedési munka minősége
A minőségi vizsgálatot a helyszíni szemlén volt lehetséges elvégezni, szemrevételezéssel, mintavétellel és mérésekkel. A mérési eredményeket, tapasztalatokat és észleléseket megfelelőségi vizsgálattal kellett minősíteni. A vizsgálat során megállapíthatóvá vált, hogy a tetőfedés nem felel meg az MSZ-04-803/11 Tetőfedő szerkezetek című szabványnak és az egyéb szakmai, kivitelezői gyakorlat alábbi előírásainak:
Az általános előírások 1.2. pontja szerint a tetőfedő szerkezetek elemeit a szakmai előírásoknak megfelelő csavarozással kell az aljzathoz rögzíteni – ez nem szakszerűen történt meg.A minőségi osztályozástól független 2.1.1. pontja szerint a tetőfedő-szerkezetek törött vagy repedt elemet nem tartalmazhatnak, míg a 2.1.2. pontja szerint a tetőfedő-szerkezetek elemein hajszálrepedés nem megengedett. A tetőfelület 65%-a repedt, törött-repedt elemeket tartalmazott.

A helytelen szerelésből adódó repedt elem

Hullámpala elem repedésének külső és belső képe
A szabvány 2.1.8. pontja szerinti átfedések 12°-20° közötti tetőhajlás esetén 200 mm tömítések nélkül, nem teljesültek, hiszen a 14°-os tetőhajláshoz, 130-150 mm közötti átfedések voltak mérhetőek, mely nyilvánvalóan nem megfelelő.A hajlatokban a hullámlemezeket a hajlat vonalának megfelelően le kell fűrészelni, oly módon, hogy az összevágott élek közötti távolság 80 mm-nél több ne legyen. A hajlatban fémlemez hajlatcsatornát kell alkalmazni a hullámlemezek alá benyúlóan. A mért hullámlemezek összevágott élei közötti távolság 165 mm volt, tehát nem megfelelő. A hullámlemezek alá a benyúlás 180 mm, tehát megfelelő.

Hullámpalafedés váparészlete
A szabvány 2.1.8. pontja szerinti átfedések 20° és 45° közötti tetőhajlás esetén 150 mm tömítés nélkül teljesültek, hiszen a 35°-os tetőhajláshoz 460 mm átfedés tartozik. A lemezeknek egymásra oldalirányban történő átfedése ilyen tetők esetében általában fél-, ritkábban egész hullám. Ezek közül itt az egész hullám terjedelműt kivitelezték, mely elfogadható, különösen azért, mert a magtár oldalról nyitott, így onnan a csapóeső hamarabb okozhatna beázást, mint az oldalirányú átfedés miatt. Az átfedéseket az uralkodó szélirányt (ÉNY) figyelembe véve takartan alakították ki, míg a lemezek átlukasztása, kifúrása a hullámtetőre került, tehát a fedés e szempontokból is megfelelő volt. A fedést az illeszkedési helyeken kiadódó négyrétegű átfedésnek, a jobban vízzáró és simább felfekvés kialakítására, háromrétegűre csökkentése céljából, a tábla fedési felületben elfoglalt helyzetének megfelelő helyeken, lemetszett sarkú elemekkel kell készíteni, de a vágott, faragott élek hézagainak szélessége nem haladhatja meg az 5 mm-t, így a kialakítás e szempontból is elfogadható.

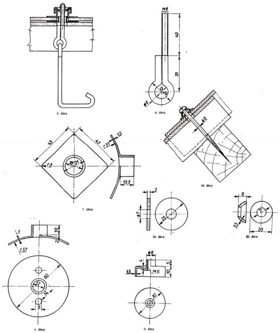
Az MSZ 4750 hullámlemez-felerősítési szerelvényeinek ábrái
Viszont a további a vizsgálat során megállapítottuk, hogy a tetőfedő elemek felerősítése nem felel meg az MSZ 4750-58 Azbesztcement lemezek felerősítő szerelvényei című szabvány előírásainak. A jelzett szabvány 2. pontja az azbesztcement hullámlemezek felerősítő szerelvényeiként a jelen esetre két megoldást tesz lehetővé. Az egyik a hullámkapocs készlet (2.1), melyet a közreadott ábra 5., 6., 7., 8., 9., számú ábrái ábrázolnak az összeépítésükkel együtt, míg a másik lehetőség a facsavarkészlet (2.3), melyet az ábra 18., 19., 20. számú ábrái ábrázolnak, szintén az összeépítésükkel együtt. A hullámkapocs készlet (2.1) egy Æ 6 mm, galvanikus úton kadmiumozott húzott acél szemes csavarból, egy vízzáró tűzben horganyzott acéllemez felső-, és egy alsó tárcsából, valamint egy M6 menettel ellátott kadmiumozott acéllemezből készült anyából áll (MSZ 4369). A facsavarkészlet (2.3) egy 100 x 6 mm méretű tűzben horganyzott félgömbfejű facsavarból (MSZ 2496), egy Æ 25 mm x 2 mm vastag lágy alumínium-, vagy ólomtárcsából (MSZ 4750), valamint egy Æ 20 mm x 8 mm magas, tűzben horganyzott, gömbszelet formára sajtolt acéllemez tárcsából (kúpos tárcsa MSZ 4750) áll.
Szabványosan egyik megoldás sem készült, de a kivitelezett állapot inkább a facsavarkészletes megoldáshoz próbált hasonlítani.
A kivitelezett rögzítés éppen a vízzáró csomópont kialakítását nem valósította meg, mivel elhagyta a vízzáráshoz mindenképpen szükséges kúpos tárcsát – vagy vízzáró alsó-, felső tárcsát – és a hozzá tartozó, lágyabb fémből készülő tárcsát; helyette normál típusalátétet alkalmazva. Az eltérő kialakítás miatt legalább tömítést kellett volna alkalmazni, de ez sem történt meg.Az azbesztcement 1600x1097x6 mm-es hullámlemezeket két-két helyen kell leerősíteni, a takart lemez felső élétől 50 mm távolságban, a mért távolság azonban 100 mm, ezért ez sem megfelelő.Az azbesztcement hullámlemezek leerősítését lehetőleg csuklós jellegűen kell kiképezni, mert ezáltal mentesülünk attól, hogy a fedélszerkezet – egyébként természetesen normális, szélerőtől és hőtágulástól származó – esetleges mozgása folytán az egyes lemezek eltörjenek, elrepedjenek. A leerősítéshez a lyukakat az átvezetett csavarszárnál, esetleges hüvelynél 4 mm-rel nagyobbra kell fúrni, amint az az ábra 18. számú rajzán is ábrázolva van. A kivitelezett leerősítési csomópont képzése abszolút nem csuklós jellegű, ellenben még a furat átmérője is megegyezik a csavarátmérővel (Æ6 mm), így minimális hőmozgásra, rugalmas elmozdulásra sincs lehetőség, tehát az azbesztcement hullámlemezek eltörhetnek, el is törtek. Ez tehát az ok-okozati összefüggés a fedés tönkremenetele, valamint a technológiai és alapvető szakmai szabályok be nem tartásával végzett kivitelezői munka között.Az alkalmazott csavarok nem a szabványban előírt 100x6 mm méretű tűzben horganyzott félgömbfejű facsavarok (MSZ 2496), hanem hatlapfejű típuscsavarok.A csavarok nincsenek minden esetben meghúzva, behajtva, ami miatt a rögzítés nem tökéletes.A csavarok nincsenek minden esetben a fogadószerkezet közepébe behajtva, ami miatt – valamint a dilatáció biztosításának hiánya következtében fellépő feszítést okozó mozgások miatt – kitörték a faszerkezetet, és a rögzítés így itt sem tökéletes.
Itt jegyezzük meg, hogy a kivitelező által előadott kifogás – ami szerint a tetőfedés készítését követően falazták ki az oszlopközöket, és ezért a faszerkezet (fogadószerkezet) káros mozgásokat végzett, mely az azbesztcement hullámlemezek elrepedéséhez és tönkremeneteléhez vezetett – nem fogadható el, hiszen ilyen ok-okozati összefüggés nem áll fenn, a következő indokok és bizonyítékok alapján.
A faszerkezet megfelel az MSZ-04-803/6 Ácsszerkezetek és teherhordó faszerkezetek című szabvány előírásainak, és önmagában is megfelelő teherhordó szerkezet. A tönkremenetel azóta is folyamatosan történik, tehát kijelenthető, hogy okozója nem az alperes által felhozott ok volt, hanem a meghibásodások fajtái szerint a technológia be nem tartásából adódó meghibásodás, mely a kivitelező tevékenységével van összefüggésben.
A vizsgálat egyértelmű választ adott arra a kérdésre is, hogy a tetőfedő elemek megfelelő minőségűek voltak-e. A tetőfedésnél használt azbesztcement hullámpala megfelelt az MSZ EN 494 számú Szálerősítésű cement tetőfedő hullámlemezek és idomelemeik című szabvány követelményrendszerének.
A kijavítás, és az elvégzett munka értékmeghatározása
A meghibásodott szerkezet kijavítható, a javításhoz terv nem szükséges. A kijavítás módja: a tetőfedés teljes lebontása után a törött, repedt elemek pótlásával, a fedés újra elkészítése, most már teljes szakszerűséggel, természetesen a kapcsolódó munkák (bádogos, tömítő) elvégzésével együtt. A kijavítási munkák értéke méretszámítással, részletes költségelemzéssel, tételes számítás eredményeként: 472.252 Ft + áfa. Az elvégzett munka reális és értékarányos értéke a kivitelezéskori árakon: 123.069 Ft + áfa.
A szabványossági követelményrendszernek és így a szerződéses jogviszonynak nem teljes mértékben megfelelő minőség miatt megbomlott értékegyensúly helyreállítása érdekében levonást – minőségi árcsökkentést (díjleszállítást) – volt szükséges alkalmazni. A munkanemben szereplő szerkezetre végrehajtott, több minőségi osztályozástól függő követelmény megvizsgálásával, a minőségi osztályba sorolás külön-külön végrehajtásával, az összes osztályos követelmények számához viszonyítottan arányosan, és minősítésük figyelembevételével határoztuk meg a tétel átvételi minősítését (a III. osztályban lehetséges 2 % osztályon kívüli tartalommal szemben, a vizsgált szerkezetek 78 %-a osztályon kívüli tartalommal bír, és csak korlátozottan és kismértékben használhatók jelen állapotukban). A tétel átvételi minősítése így: osztályon kívüli.

Látható tehát, hogy az elkészült munka igen kis értékű, hiszen a meghatározott célra nem, raktározásra is csak korlátozottan használható, és kijavítása is teljes bontást követően, nagy költséggel valósítható meg.
Szende Árpád
