Acélszerkezetek kapcsolata hőszigetelve

A lakó- és ipari épületeknél az acélszerkezetek alkalmazása tartós, időtálló megoldás. A mai modern építészetben trend az acélszerkezetek megjelenése a homlokzaton, az erkélyen vagy a tetőkonstrukcióban. Ilyen épületeknél gyakran előfordul, hogy acélgerenda fut az épület belsejéből a külső térbe. Ennek kivitelezésére nyújt megbízható megoldást a Schöck cég az Isokorb KST hőszigetelő elemével.
A németországi RWTH Intézetben készült tanulmány összehasonlította az Isokorb KST elemmel hőszigetelt és egy szabadon kifutó acélgerenda hőtechnikai paramétereit.
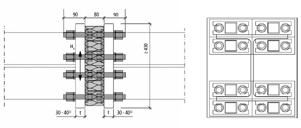
A tanulmány szerint az Isokorb KST hőtechnikai elválasztás az egyetlen megoldás, amellyel elérhető az FRsi>0,7 követelmény. (A tanulmány letölthető a www.schoeck.de/gutachten-kst oldalról.) Az Isokorb KST nemcsak elválasztja az acélszerkezeteket, hanem igénybevételeket is át tud adni a csatlakozó szerkezetekre. A minősített termék három részből áll: egy húzóerőt felvevő, egy nyomó- és nyíróerőt felvevő, illetve egy hőszigetelő, köztes modulból. Az elem moduláris felépítése lehetővé teszi, hogy több elemből nagyobb teherbírású kapcsolatot lehessen kialakítani.
A modulok belsejében minőségi rozsdamentes acél gondoskodik a korrózió elleni tartós védelemről.
Részletes tervezési dokumentáción kívül ingyenesen letölthető számítási szoftver is segíti a tervezők munkáját. A program az igénybevételek alapján megajánlja a leggazdaságosabb megoldást. A szoftver a következő oldalon található: http://www.schoeck.hu/hu/letoeltesek, Méretező szoftver. A számítás mellett a statikai ellenőrzés is kinyomtatható.

Az Isokorb KST elemek nemcsak új épületeknél, hanem régiek felújításánál
is használható.








